1
/
of
1
Toro Trencher Parts
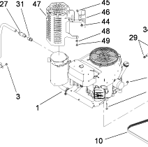
114-8748-03 - Reference Number 47 - Muffler Shield
114-8748-03 - Reference Number 47 - Muffler Shield
Regular price
$184.84 USD
Regular price
Sale price
$184.84 USD
Unit price
/
per
Shipping calculated at checkout.
Couldn't load pickup availability
Part Number 114-8748-03 - muffler shield
Share
