1
/
of
1
Toro Trencher Parts
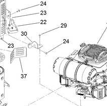
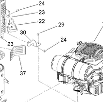
139-1335-03 - Reference Number 30 - Bracket
139-1335-03 - Reference Number 30 - Bracket
Regular price
$20.95 USD
Regular price
Sale price
$20.95 USD
Unit price
/
per
Shipping calculated at checkout.
Couldn't load pickup availability
Part Number 139-1335-03 - bracket
Share
