1
/
of
1
Toro Trencher Parts
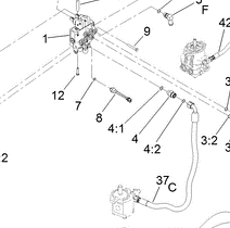
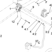
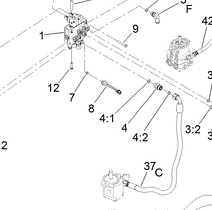
237-42 - Reference Number 7 - O Ring
237-42 - Reference Number 7 - O Ring
Regular price
$2.75 USD
Regular price
Sale price
$2.75 USD
Unit price
/
per
Shipping calculated at checkout.
Couldn't load pickup availability
Part Number 237-42 - o ring
Share
