1
/
of
1
Toro Trencher Parts
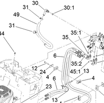
237-80 - Reference Number 30:1 - O Ring
237-80 - Reference Number 30:1 - O Ring
Regular price
$6.10 USD
Regular price
Sale price
$6.10 USD
Unit price
/
per
Shipping calculated at checkout.
Couldn't load pickup availability
Part Number 237-80 - o ring
Share
