1
/
of
1
Toro Trencher Parts
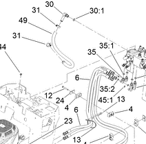
2412-129 - Reference Number 31 - Clamp
2412-129 - Reference Number 31 - Clamp
Regular price
$2.10 USD
Regular price
Sale price
$2.10 USD
Unit price
/
per
Shipping calculated at checkout.
Couldn't load pickup availability
Part Number 2412-129 - clamp
Share
