1
/
of
1
Toro Trencher Parts
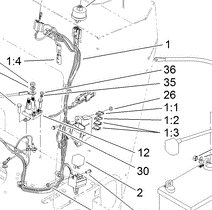
3219-14 - Reference Number 36 - Nut
3219-14 - Reference Number 36 - Nut
Regular price
$0.28 USD
Regular price
Sale price
$0.28 USD
Unit price
/
per
Shipping calculated at checkout.
Couldn't load pickup availability
Part Number 3219-14 - nut
Share
