1
/
of
1
Toro Trencher Parts
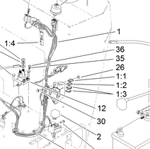
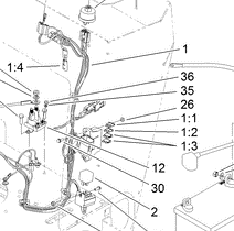
3253-17 - Reference Number 35 - Washer
3253-17 - Reference Number 35 - Washer
Regular price
$0.28 USD
Regular price
Sale price
$0.28 USD
Unit price
/
per
Shipping calculated at checkout.
Couldn't load pickup availability
Part Number 3253-17 - washer
Share
