1
/
of
1
Toro Trencher Parts
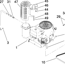
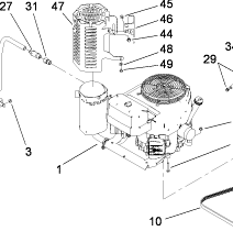
33103-012 - Reference Number 49 - Bolt
33103-012 - Reference Number 49 - Bolt
Regular price
$3.37 USD
Regular price
Sale price
$3.37 USD
Unit price
/
per
Shipping calculated at checkout.
Couldn't load pickup availability
Part Number 33103-012 - bolt
Share
