1
/
of
1
Toro Trencher Parts
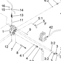
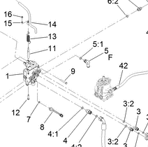
353-954 - Reference Number 5 - Elbow
353-954 - Reference Number 5 - Elbow
Regular price
$51.78 USD
Regular price
Sale price
$51.78 USD
Unit price
/
per
Shipping calculated at checkout.
Couldn't load pickup availability
Part Number 353-954 - elbow, comes with 1 o ring
Share
