1
/
of
1
Toro Trencher Parts
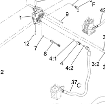
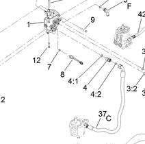
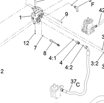
72-4310 - Reference Number 8 - Ball Switch
72-4310 - Reference Number 8 - Ball Switch
Regular price
$83.63 USD
Regular price
Sale price
$83.63 USD
Unit price
/
per
Shipping calculated at checkout.
Couldn't load pickup availability
Part Number 72-4310 - ball switch
Share
