1
/
of
1
Toro Trencher Parts
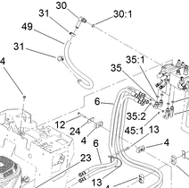
87-8170 - Reference Number 30 - Elbow
87-8170 - Reference Number 30 - Elbow
Regular price
$43.71 USD
Regular price
Sale price
$43.71 USD
Unit price
/
per
Shipping calculated at checkout.
Couldn't load pickup availability
Part Number 87-8170 - elbow, comes with 30:1
Share
